汽车制造

高精、高效是数控的核心竞争力,智能是数控技术的发展方向。为了帮助用户进一步提升机床产品性能,华中数控瞄准“管用、耐用、好用”的产品方向,推出了全新的华中8型数控系统V2.4产品,帮助用户实现数控加工的“更精、更快、更智能”。
本系列微信以华中8型车削数控系统和华中8型铣削数控系统两款为例,从面板功能介绍、编程、对刀、加工运行、基础应用及维护等方面,帮您快速掌握华中8型数控系统的加工操作方法。
本期为您带来的是
华中8型车削数控系统快速入门
——各类螺纹切削。
第六期:各类螺纹切削
1、标准直线螺纹加工及锥度螺纹加工
· 直螺纹加工循环
该循环执行如下图所示A→B→C→D→A的轨迹动作:

· 锥螺纹加工循环
该循环执行如下图所示A→B→C→D→A的轨迹动作。

如下图所示直螺纹工件,用G92指令编程,毛坯外形已加工完成。

%3324
N1 T0101
N2G00 X35 Z104;选定坐标系G54,到循环起点
N3 M03 S300;主轴以300r/min正转
N4 G92 X29.2 Z18 L2 F3;第一次循环切螺纹,切深0.8mm
N5 X28.6 L2;第二次循环切螺纹,切深0.6mm
N6 X28.2 L2;第三次循环切螺纹,切深0.4mm
N7 X28.04 L2;第四次循环切螺纹,切深0.16mm
N8 M30;主轴停、主程序结束
举例:如下图所示锥螺纹工件,用G92指令编程,毛坯外形已加工完成。

%3324
N1 T0101
N2G00 X90 Z4;选定坐标系G54,到循环起点
N3 M03 S500;主轴以500r/min正转
N4 G92 X59.2 Z-24 R-1 F2;第一次循环切螺纹,切深0.8mm
N5 X58.6;第二次循环切螺纹,切深0.6mm
N6 X58.2;第三次循环切螺纹,切深0.4mm
N7 X57.8;第四次循环切螺纹,切深0.4mm
N8 X57.5;第五次循环切螺纹,切深0.3mm
N9 X57.4;第六次循环切螺纹,切深0.1mm
N10 M30;主轴停、主程序结束
· 螺纹切削复合循环(G76)
螺纹加工为成型加工,每刀切削量不可太大,故加工一个螺纹零件,常需求多次往复加工方可完成。
该指令可用1个循环指令,实现多次螺纹往复运动,最终完成螺纹零件的加工。其轨迹包括多次粗加工和至少一次精加工。
G76指令编程格式
G76 P(m)(r)(a) Q(Dd min) R(d)
G76 X(u) Z(w) R(i) P(k) Q(Dd) F(I)

G76螺纹复合循环加工轨迹,见下图

每次往复有4段轨迹:
第一段轨迹A→B,R快速进给;
第二段轨迹B→C,F速螺纹进给;
第三段轨迹C→D,R快速进给(含E、R退尾轨迹);
第四段轨迹D→A,R快速进给。
螺纹复合循环切削深度设定,见下图所示。

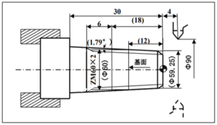
例1:用螺纹切削复合循环G76指令编程,加工螺纹为ZM60×2,工件尺寸见下图,其中括弧内尺寸根据标准得到。(tan1.79=0.03125)。

%3331
T0101;换一号刀,确定其坐标系
G00 X100 Z100;到程序起点或换刀点位置
M03 S1000;主轴以1000r/min正转
G00 X90 Z4;到循环起点位置
G90 X61.125 Z-30 R-1.063 F180 ;加工锥螺纹外表面
G00 X100 Z100 M05;到程序起点或换刀点位置
T0202;换二号刀,确定其坐标系
M03 S500;主轴以500r/min正转
G00 X90 Z4;到螺纹循环起点位置
G76P021060Q100R0.05
G76X58.15Z-24R-0.875P1300Q300 F2 ;执行螺距为F2的锥螺纹加工
G00 X100 Z100;返回程序起点位置或换刀点位置
M30;主程序结束并复位
注意事项
1.按G76段中的X(x)和Z(z)指令实现循环加工,增量编程时,要注意u和w的正负号(由刀具轨迹AC和CD段的方向决定);
2.G76循环进行单边切削,减小了刀尖的受力。第一次切削时切削深度为d,第n次的切削总深度为Δd√n,每次循环的背吃刀量为Δd(√n-√n-1);
3.在单边切削图中,B到C点的切削速度由螺纹切削速度指定,而其它轨迹均为快速进给;
4.螺纹切削过程中,进给保持和复位按键此时处于无效状态
5.螺纹切削过程中,进给修调处于无效状态;
6.为避免刀具干涉,螺纹切削循环的起点需设定在螺纹牙距的顶点以上的位置;
7.执行车锥螺纹功能时,螺纹螺距是以轴线的方式计算,而实际加工速度则是以母线的方式计算。
8.螺纹退尾的角度由用户宏参数54010来设定;
2.跳刀螺纹断削功能
车螺纹时,通过改变X方向的进退刀,实现断削功能。暂不支持多头。
指令格式:G1084 X_ Z_ E_ D_ F_(Q_)(I_)

注:螺纹退尾参数
编程举例:
%1002(退尾通过用户宏参数设置)
T0101
S300 M6
G0 X24 Z10
G1084 X18.0515 Z-30 E0.4 D0.97425 F1.5 (Q1.6) (I-0.2锥度计算)
M30
详细说明:

跳刀螺纹图:工件车削图(上),XZ动作波形图(下)
动作详解如上图所示,起刀位置受到X、D、E影响,计算公式为X+D*2-E*2(直径编程X),跳刀螺纹断削实际是分层车螺纹,最大层深为Emm,每层层深为Ei=E0 (√n-√(n-1)),包含两个动作:
锥螺纹图示:

注:锥度I应为起刀位置(B点)的X坐标到螺纹终点(E点)X坐标之差,带符号。上图中为B点和E点的X差。C点为有效螺纹终点。E点为BC延长线与终点DE的交点,DE平行于X轴,即当无退尾时,CE两点重合。
编程举例
例1:用螺纹切削复合循环G76指令编程,加工螺纹为ZM60×2,工件尺寸见下图,其中括弧内尺寸根据标准得到。(tan1.79=0.03125)。

%3331
N1 T0101;换一号刀,确定其坐标系
N2 G00 X100 Z100;到程序起点或换刀点位置
N3 M03 S400;主轴以400r/min正转
N4 G00 X90 Z4;到简单循环起点位置
N5 G80 X61.125 Z-30 I-1.063 F80;加工锥螺纹外表面
N6 G00 X100 Z100 M05;到程序起点或换刀点位置
N7 T0202;换二号刀,确定其坐标系
N8 M03 S300;主轴以300r/min正转
N9 G00 X90 Z4;到螺纹循环起点位置
#54010 = 45 ;退尾角度为45°
#54011 =10 ;;退尾长度为1倍螺距
#54019 = 0;90°退尾关闭
N10 G1084 X58.15 Z-24 I-0.875 D1.299 E0.4 Q0.8 F2
N11 G00 X100 Z100;返回程序起点位置或换刀点位置
N12 M05;主轴停
N13 M30;主程序结束并复位
断削分析:
能够断削有如下原因:1、由于层间距不同,会出现“空刀”;2、层间叠加车削,积削厚度不一致,出现应力“脆点”;
而2倍螺距变化时,断削的主要原因为因素一,断削频率为4f;1倍螺距变化时的主要断削原因为因素二,断削频率为1f~2f。.
因此,若要实现螺纹断削,必须要出现层间“空刀”,即单倍螺距深刀,与双倍螺距浅刀的X值要交叉,这也是必要条件。“空刀”对应放大图如下:

注意事项:
1.退尾受到三个用户宏参数影响:54019,54010,54011,解释参照上表;
2.跳刀回退量Q可缺省,为7/12E,若为外螺纹且定义Q,则跳刀回退距离可自定义;
3.起刀位置根据给定的X、D、E计算出来的;
4.使用退尾时,必须将000349改为角度制。
5.报警使用#3002,使用前请检查是否支持此功能,测试代码为:#3002 =1(测试),2.40.05.03_E2_B3可用
6.E/D/Q/I均为半径值
3.网状螺纹的成型加工
系统支持网状螺纹成型加工


%1234
T0404
M3 S100
G0X40
Z5
#1=0
G0X30
WHILE[#1LT360]
G61
G32 Z-60 F30 P[#1]
G32 Z5 F30 P[#1]
G64
#1 = #1 + 30
ENDW
G0X40
Z100
M30