汽车制造
产品概述
product description
查看大图
HSR-BR625双旋机器人
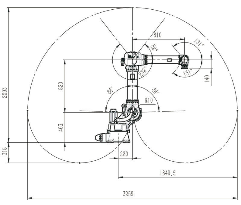
BR双旋机器人系列HSR-BR625作为双旋机器人里的“大力士”,有效负载25KG的大负载,1849.5mm的有效工作半径,同时满足高负载长工作半径的双重要求,超长臂展,大负载灵活作业,保证全方位检测,无作业盲点,加之灵活的双旋结构设计,可实现规避小空间限制,真正的达到提高产品品质的目的。BR625操作简易、低功耗,可实现快速部署,中空手臂的设计,内置线缆、气管,可使作业环境更整洁安全。BR625尤其适用于装配、上下料、搬运、冲压、密集排布钻工中心等配置,性价比非常高。
使用说明下载产品特点
Features1、轻量化设计,210KG本体重量,可实现25KG灵活搬运;
2、双旋结构,可规避狭小空间无法作业的限制;
3、节拍时间段,满足更高速作业节奏;
4、中空手臂设计,将线缆、气管内置其中,更安全;
5、性价比高,定位为普及型25KG机器人。
产品参数
Product parameters| 工业机器人 | HSR-BR625 | |
| 自由度 | 6 | |
| 负载 | 25Kg | |
| 最大工作半径 | 1849.5mm | |
| 重复定位精度 | ±0.05mm | |
| 运动范围 | J1 | ±155° |
| J2 | -178°/-2° | |
| J3 | +128°/+412° | |
| J4 | ±360° | |
| J5 | ±131° | |
| J6 | ±360° | |
| 额定速度 | J1 | 2.44 rad/s,140°/s |
| J2 | 2.46rad/s,141°/s | |
| J3 | 2.98rad/s,171°/s | |
| J4 | 3.92rad/s,225°/s | |
| J5 | 3.92rad/s,225°/s | |
| J6 | 3.92rad/s,225°/s | |
| 最高速度 | J1 | 4.06rad/s,233°/s |
| J2 | 4.10ad/s,235°/s | |
| J3 | 4.97rad/s,285°/s | |
| J4 | 8.49rad/s,487°/s | |
| J5 | 8.49rad/s,487°/s | |
| J6 | 8.49rad/s,487°/s | |
| 容许惯性矩 | J6 | 2.0㎏㎡ |
| J5 | 3.7kg㎡ | |
| J4 | 3.7kg㎡ | |
| 容许扭矩 | J6 | 40.9Nm |
| J5 | 79.8Nm | |
| J4 | 76.5Nm | |
| 适用环境 | 温度 | 0~45° |
| 湿度 | 20%~80% | |
| 其他 | 避免与易燃易爆或腐蚀性气体、液体接触,远离电子噪声源(等离子) | |
| 示教器线缆长度 | 8米 | |
| 本体-柜体连接线长度 | 6米 | |
| I/O参数 | 数字量:32输入(NPN PNP均可),31输出(NPN) | |
| 本体预留信号线 | 24位(航空插头连接) | |
| 预留气路 | 2*Φ8 | |
| 电源容量 | 5.6KVA | |
| 额定功率 | 4.3kW | |
| 额定电压 | 3相380V | |
| 额定电流 | 8.1A | |
| 本体防护等级 | IP54(前端IP67) | |
| 安装方式 | 地面、倒挂、侧挂、任意方向安装 | |
| 本体重量 | 210kg | |
| 控制柜防护等级 | IP53 | |
| 控制柜尺寸 | 690mm(宽)×411mm(厚)×890mm(高)-立式 | |
| 控制柜重量 | 91kg | |
产品尺寸
Product Size


