汽车制造
产品概述
product description
查看大图
HSR-JR650L工业机器人
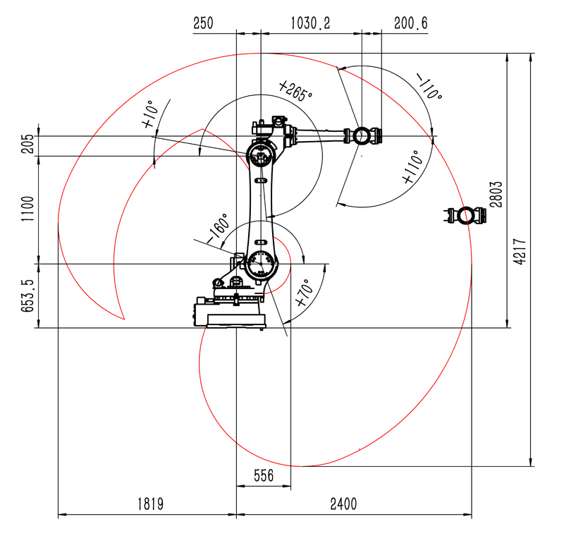
JR六轴机器人系列JR650L,中型负载机器人,中型负载应用于码垛、焊接、搬运的市场优势尤为明显,有助于增强企业智能化程度,加强企业生产安全性。HSR-JR650L机器人拥有50kg最大负载能力,最大臂展为2400mm,合理设计工装夹具后,机器人可实现重复定位精度不大于0.08mm的重复性工作,可以广泛适用于搬运、切割、打磨抛光、码垛等行业。
使用说明下载产品参数
Product parameters| 工业机器人 | HSR-JR650L | |
| 自由度 | 6 | |
| 额定负载 | 50Kg | |
| 最大工作半径 | 2400mm | |
| 重复定位精度 | ±0.08mm | |
| 运动范围 | J1 | ±180° |
| J2 | -160°/70° | |
| J3 | +10°/265° | |
| J4 | ±360° | |
| J5 | ±110° | |
| J6 | ±360° | |
| 额定速度 | J1 | 85°/s,1.48rad/s |
| J2 | 85°/s,1.48rad/s | |
| J3 | 104°/s,1.81rad/s | |
| J4 | 177°/s,3.08rad/s | |
| J5 | 155°/s,2.7rad/s | |
| J6 | 187°/s,3.26rad/s | |
| 最高速度 | J1 | 127.5°/s,2.21rad/s |
| J2 | 127.5°/s,2.21rad/s | |
| J3 | 104°/s,1.81rad/s | |
| J4 | 177°/s,3.08rad/s | |
| J5 | 155°/s,2.7rad/s | |
| J6 | 187°/s,3.26rad/s | |
| 容许惯性矩 | J6 | 25kg㎡ |
| J5 | 32.7kg㎡ | |
| J4 | 32.7kg㎡ | |
| 容许扭矩 | J6 | 330Nm |
| J5 | 340Nm | |
| J4 | 400Nm | |
| 适用环境 | 温度 | 0~45° |
| 湿度 | 20%~80% | |
| 其他 | 避免与易燃易爆或腐蚀性气体、液体接触,远离电子噪声源(等离子) | |
| 示教器线缆长度 | 8米 | |
| 本体-柜体连接线长度 | 8米 | |
| I/O参数 | 数字量:32输入,31输出(控制柜故障指示灯输出占用1) | |
| 本体预留信号线 | 26位(航空插头接线方式:焊接) | |
| 预留气路 | 3*Φ10 | |
| 电源容量 | 7.5kVA | |
| 额定功率 | 5.5kW | |
| 额定电压 | 3相AC380V 50HZ | |
| 额定电流 | 10.8A | |
| 本体防护等级 | IP54/IP65(手腕) | |
| 安装方式 | 地面安装 | |
| 本体重量 | 750kg | |
| 控制柜防护等级 | IP53 | |
| 控制柜重量 | 180KG | |
| 控制柜尺寸 | 840mm(宽)*550mm(厚)*1300mm(高)-立式 | |
产品尺寸
Product Size


