汽车制造
产品概述
product description
查看大图
产品特点
Features1.高性价比
低成本,花钱买回去的属于通用工业机器人,可重复编程用于其他搬运、装配作业,且可一年回收成本
2.长寿命
采用高精密高刚度谐波减速机,寿命可长达十年
3.高速性能
采用低速比高精度减速机,拥有超快的循环时间,最快循环时间可达0.4S
4. 高集成度
本体内置信号线与气管即插即用,无需繁琐接线,内部线缆无滑动,可长久保持无故障率。
5.高精度
除了采用高精度谐波减速机外,采用了进口高精密滚珠丝杆滚珠花键,末端重复定位精度达±0.01MM
6.高平滑性
采用先进控制系统及伺服驱动系统,实现高速而平滑的动作性能,几乎做到过渡点零时间停顿。
7. 高刚性
其末端线性移动轴的特性,让其在Z方向具有良好的刚度,此特性特别适合于装配工作
8.负载档位实用性
根据实际末端负载,客户可调整负载档位,简单操作提高机器人运行节拍。
产品参数
Product parameters| 工业机器人 | HSR-SR3400 | |
| 自由度 | 4 | |
| 最大负载/额定负载 | 3kg/1kg | |
| 最大工作半径 | 400mm | |
| 重复定位精度 | ±0.01mm | |
| 运动范围 | J1 | ±132° |
| J2 | ±135° | |
| J3 | 0/-150mm | |
| J4 | ±360° | |
| 额定速度 | J1 | 360°/s,6.28rad/s |
| J2 | 470°/s,8.19rad/s | |
| J3 | 710mm/s | |
| J4 | 1500°/s,26.16rad/s | |
| 最高速度 | J1 | 530°/s,9.24rad/s |
| J2 | 700°/s,12.21rad/s | |
| J3 | 1065mm/s | |
| J4 | 2600°/s,43.35rad/s | |
| 容许惯性矩 | J4 | 0.05kg㎡/0.005kg㎡ |
| 容许扭矩 | J4 | 3.29Nm |
| 适用环境 | 温度 | 0~45° |
| 湿度 | 20%~80% | |
| 其他 | 避免与易燃易爆或腐蚀性气体、液体接触,远离电子噪声源(等离子) | |
| 示教器线缆长度 | 8米 | |
| 本体-柜体连接线长度 | 3米 | |
| I/O参数 | 数字量:32位输入(NPN PNP均可)31位输出(NPN) | |
| 预留气路 | 12位(航空插头连接) | |
| I/O参数 | 3*Φ6 | |
| 电源容量 | 0.75kVA | |
| 额定功率 | 0.55kW | |
| 额定电压 | 单相AC220V 50HZ | |
| 额定电流 | 3A | |
| 防护等级 | IP54 | |
| 安装方式 | 地面安装、桌面安装 | |
| 本体重量 | 15kg | |
| 控制柜防护等级 | IP53 | |
| 控制柜尺寸 | 500(宽)×270(厚)×530(高)-可立可卧 | |
| 控制柜重量 | 10.65KG | |
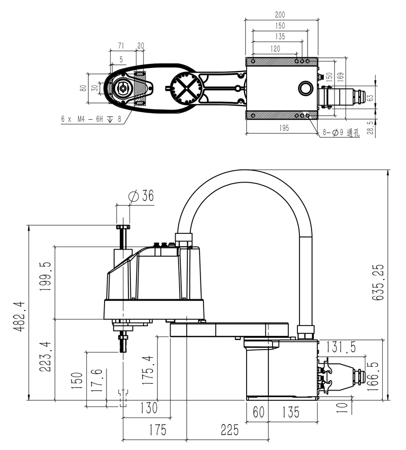
产品尺寸
Product Size

