汽车制造
产品概述
product description
查看大图
HSR-JM630打磨机器人
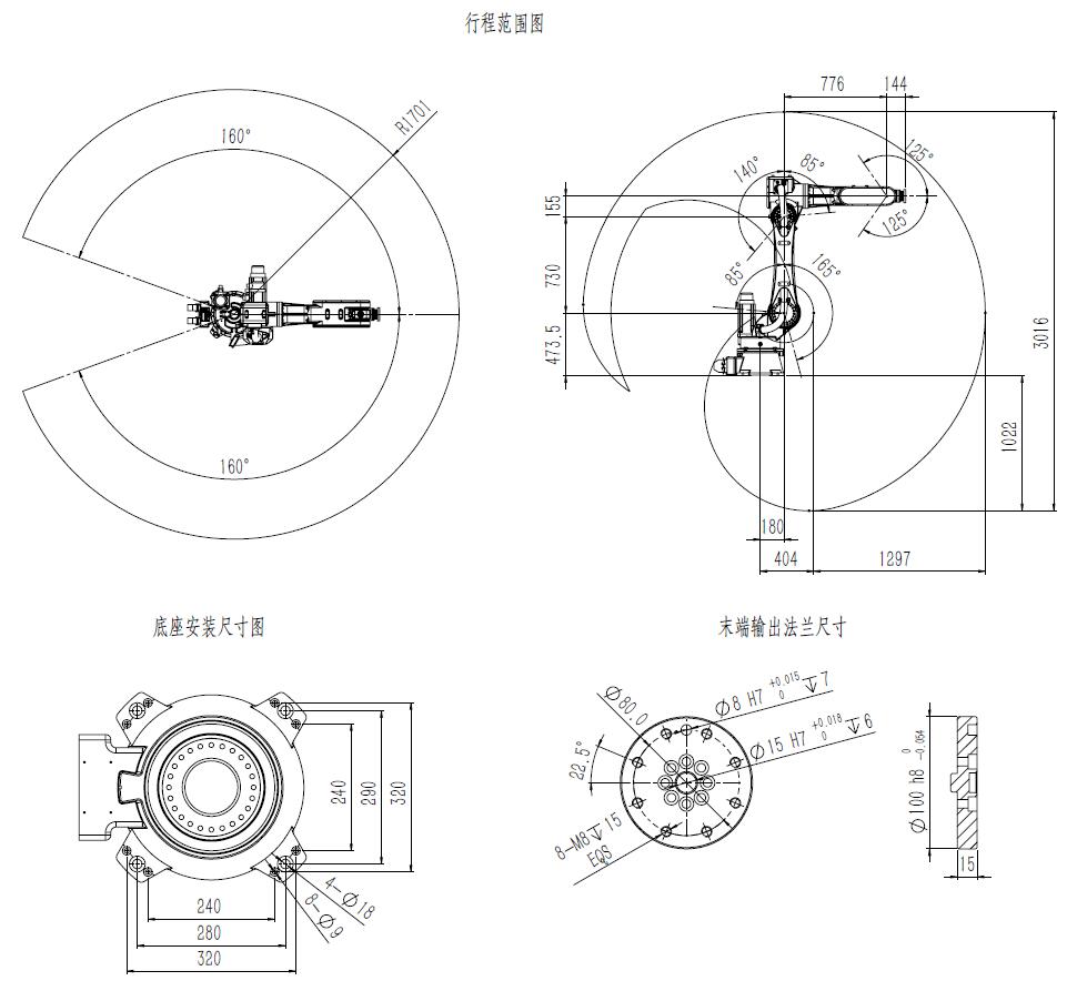
JM打磨机器人系列HSR-JM630具有精度至高、加速能力强、刚性好等优点,重复定位精度高达±0.05mm,运动范围达到1701mm,可轻松应对码垛、装配、打磨及焊接等行业的应用市场。
使用说明下载产品特点
Features高性价比: 低成本,花钱买回去的属于通用工业机器人,可重复编程用于其他搬运、装配作业,且可一年回收成本;
长寿命: 采用高精密高刚度进口减速机,寿命可长达数十年,一次投入,多年受益;
高加速性能: 采用低速比高精度减速机,拥有超快的加速性能,最快加速时间可达0.3S;
高集成度: 本体内置信号线与气管即插即用,无需繁琐接线,内部线缆无滑动,可长久保持无故障率;
超高精度: 除了精密的设计外,采用了进口高精密减速机,末端重复定位精度高达±0.05MM;
高平滑性: 采用先进控制系统及伺服驱动系统,实现高速而平滑的动作性能,几乎做到过渡点零时间停顿;
高刚性: 经过结构优化,采用大功率电机与优质的材料,刚性非常好;
高负载: 末端最大负载30kg,可轻松应对码垛、装配、打磨及焊接行业的应用市场。
产品参数
Product parameters| 工业机器人 | HSR-JR630 | |
| 自由度 | 6 | |
| 额定负载 | 30Kg | |
| 最大工作半径 | 1701mm | |
| 重复定位精度 | ±0.05mm | |
| 运动范围 | J1 | ±155° |
| J2 | -175°/+75° | |
| J3 | +40°/ +265° | |
| J4 | ±180° | |
| J5 | ±125° | |
| J6 | ±360° | |
| 额定速度 | J1 | 88°/s,1.53 rad/s |
| J2 | 66°/s,1.15 rad/s | |
| J3 | 120°/s,2.09 rad/s | |
| J4 | 178°/s,3.11 rad/s | |
| J5 | 178°/s,3.11 rad/s | |
| J6 | 225°/s,3.93 rad/s | |
| 最高速度 | J1 | 96°/s,1.68 rad/s |
| J2 | 88°/s,1.53rad/s | |
| J3 | 192°/s,3.35 rad/s | |
| J4 | 297°/s,5.18 rad/s | |
| J5 | 297°/s,5.18 rad/s | |
| J6 | 375°/s,6.54rad/s | |
| 容许惯性矩 | J6 | 0.8kg㎡ |
| J5 | 3.3kg㎡ | |
| J4 | 8.7kg㎡ | |
| 容许扭矩 | J6 | 30.7Nm |
| J5 | 73.4Nm | |
| J4 | 140.4Nm | |
| 适用环境 | 温度 | 0~45° |
| 湿度 | 20%~80% | |
| 其他 | 避免与易燃易爆或腐蚀性气体、液体接触,远离电子噪声源(等离子) | |
| 示教器线缆长度 | 8米 | |
| 本体-柜体连接线长度 | 6米 | |
| I/O参数 | 数字量:32输入,31输出(控制柜故障指示灯输出占用1) | |
| 本体预留信号线 | 24位(航空插头连接) | |
| 预留气路 | 2*Φ8 | |
| 电源容量 | 5.62kVA | |
| 额定功率 | 4.5kW | |
| 额定电压 | 3相AC380V | |
| 额定电流 | 9A | |
| 本体防护等级 | IP54 | |
| 安装方式 | 地面安装、侧挂安装 | |
| 本体重量 | 302kg | |
| 控制柜防护等级 | IP53 | |
| 控制柜重量 | 91KG | |
| 控制柜尺寸 | 690mm(宽)×411mm(厚)×890mm(高)-立式 | |
产品尺寸
Product Size